Skip to main content

PLR42系列2级精密行星减速机-速比20

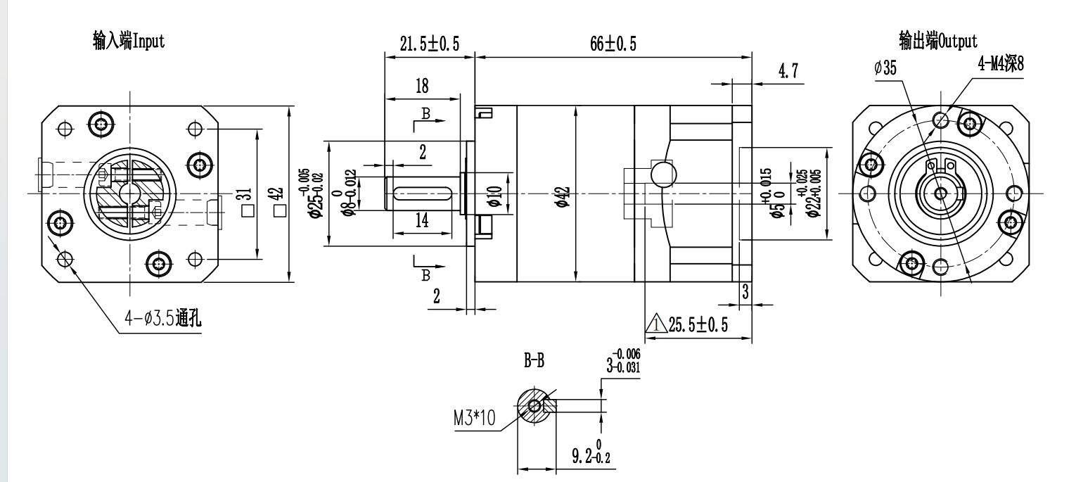
PLR42系列2级精密行星减速机是一款圆形安装法兰系列、外形尺寸为42mm的减速机。PLR42-L2-20-SW型号的减速比为20,额定输出扭矩12N.m,L1输出端面以下总长66mm,L2适配电机轴长度22-25.5mm,适配42mm步进电机,该产品与研蓝电机集成交付。


简要特性

PLR42系列:

  • 圆形法兰轴输出,螺纹反向连接,外形42mm标准化尺寸;
  • 钢尺直齿传动,单悬臂结构,设计简洁,极具性价比;
  • 平稳运行,噪音低;
  • 入力轴可开键槽;
  • 回程间隙8~16弧分;
  • 规格范围20-130;
  • 速比范围3-100
PLR42系列2级精密行星减速机-速比20

产品配置器

规格参数

产品型号
PLR42-L2-20-SW
类型
精密行星
减速比
20
额定扭矩 Nm
12
峰值扭矩 Nm
24
最大输入转速 rpm
2000
回程间隙 arcmin
20
传动效率
94%

3D 预览

https://saas.sview3d.com//SView/sview3d.html?bucketName=c3ZpZXd3ZWI=&filePath=MjAyNTA3MzEvZDMzZTBkNzI1NzgyNDhkMmIyZDkyNmIzYjk2ZWUyY2IvNDQ1ZjBkNTAzZTljNGNiYTg0ZGYyYjI0OWIzMWFhNDk=&fileName=UExSNDItTDItUjUtSzEwKOagh+WHhui9tCkuU1RFUC5zdmx4&fileType=svlx

尺寸图

PLR42系列2级精密行星减速机-速比20

力矩曲线

文档下载

关联推荐