Skip to main content

38系列IP68防护0-10V输出机械多圈绝对值编码器M系列量程系列(分辨率12位)

38系列IP68防护绝对值编码器,适合防水防尘环境,机械多圈绝对值编码器适合于工业自动化,工程机械,医疗设备,移动机器人,自动化产线等需要绝对值角度测量领域,模拟量电压0-10V信号输出,特有的机械多圈绝对值设计,无需电池,可靠性极强,分辨率12位。该型号量程最大5400圈。无论断电负载是否移动位置,系统上电都无需归零,直接运行,大幅提高系统工作效率。


简要特性

  • 100%本土化设计
  • IP68防护和安全防爆
  • 有效替代进口编码器
  • 多种协议和输出类型可选
  • 源头厂家支持尺寸和协议定制
  • 极速交付
38系列IP68防护0-10V输出机械多圈绝对值编码器M系列量程系列(分辨率12位)

有货

产品配置器

规格参数

产品型号
YL38MT-ANV1-E12M-RT1-IP68
尺寸
38
分辨率
4096
工作电压
24V
类型
机械多圈绝对值
安装方式
轴式
安装轴径(孔径)
6
信号类型
0-10V
极限转速
3000
适用电机

3D 预览

https://saas.sview3d.com//SView/sview3d.html?bucketName=c3ZpZXd3ZWI=&filePath=MjAyNTA1MTMvYjYyNzQ1NDQ4NzcyNDA4Mjk2ZDUzMGU2NzZjZDUwMmIvMjM4YjIyNmIzYTc4NDdiNDk1OWU1NDUyMGFjZjY2NGY=&fileName=WUwzOEEtTVQtUlQxLUlQNjgtRDYuc3RwLnN2bHg=&fileType=svlx

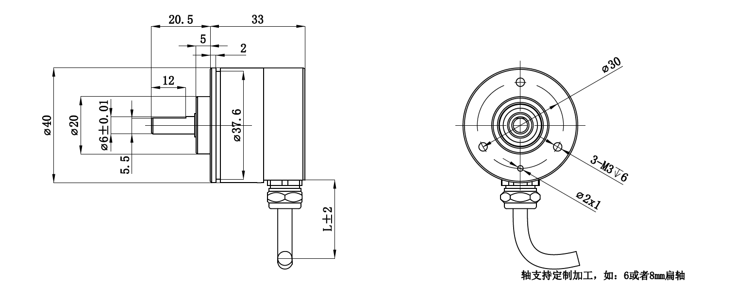
尺寸图

38系列IP68防护0-10V输出机械多圈绝对值编码器M系列量程系列(分辨率12位)

力矩曲线

文档下载