Skip to main content

57法兰大推力系列闭环滚珠丝杆直线电机Nema23集成BG1202线性步进电机

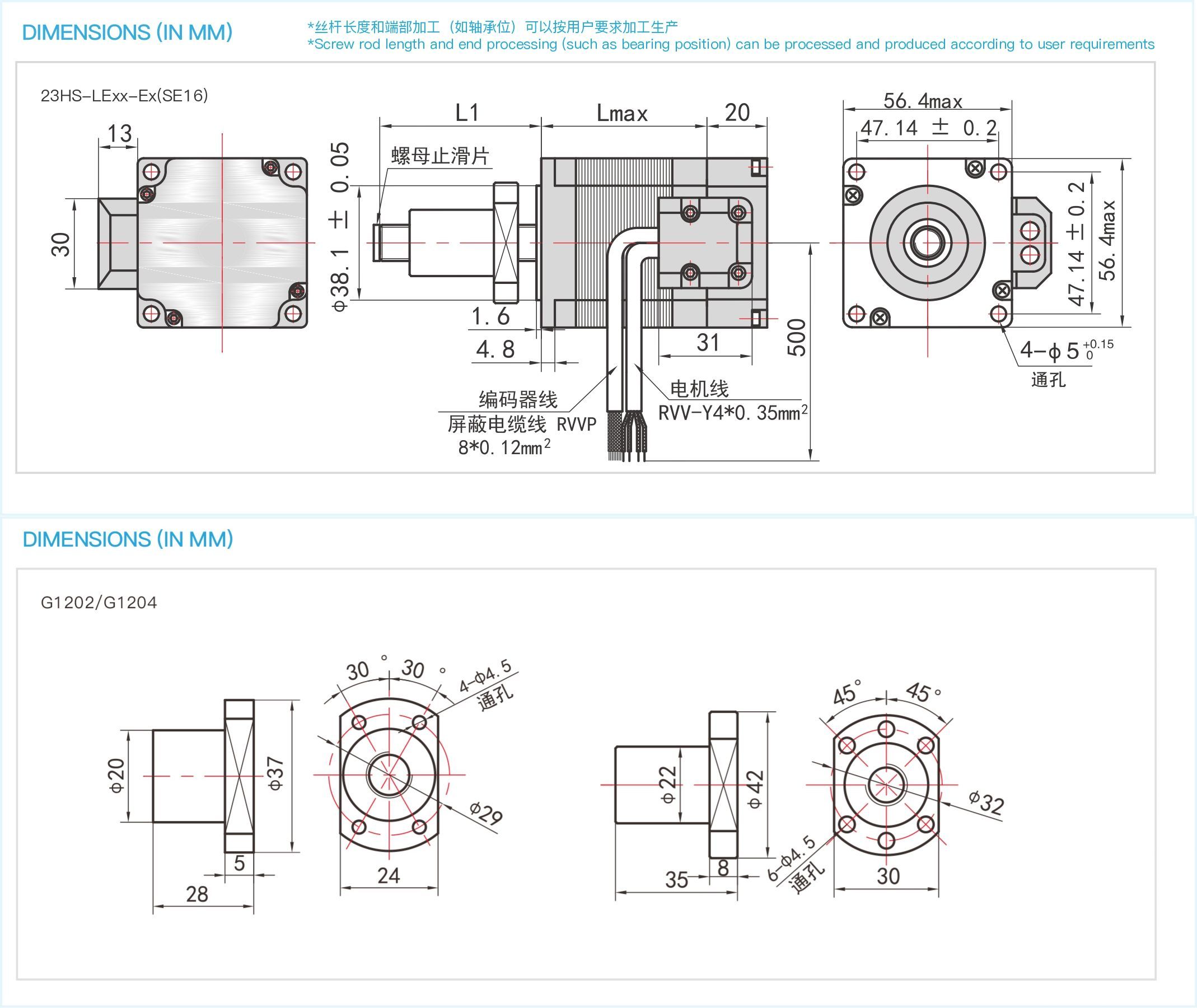
57法兰的直线步进电机集成滚珠丝杠,无需联轴器耦合,电机丝杆一体化结构,节约设备安装空间。丝杆规格为BG1202,丝杆直径12mm,导程2mm。丝杆长度支持定制,端部支持按需加工。滚珠丝杆相比于T型丝杆寿命和精度更高,是T型丝杆产品的有效补充。电机预装了增量编码器(差分ABZ信号输出),可实现高精度的伺服定位控制。预装的编码器支持多种分辨率规格。广泛应用于光学,半导体,医疗仪器,自动化生产装备等场景。研蓝所有电机支持配套规格丰富的电机驱动器。


简要特性

  • 集成滚珠丝杠和电机
  • 更长的寿命和更高的精度
  • 提供不同长度
  • 提供内置编码器
  • 电机控制器/驱动器可用
57法兰大推力系列闭环滚珠丝杆直线电机Nema23集成BG1202线性步进电机

可超售

产品配置器
  • 变速箱
    20 条每页
    1 – 20 of 260 results 显示全部 260 条结果 仅 1 条结果 No results found
    产品型号
    类型
    减速比
    to GO
    额定扭矩
    to GO
    最大输入转速
    显示 1 – 20 共 260 个结果 显示全部 260 条结果 显示单个结果 No results found
    Filters Sort
    Reset Apply
    产品型号
    类型
    减速比
    额定扭矩 Nm
    峰值扭矩 Nm
    最大输入转速 rpm
    回程间隙 arcmin
    传动效率
    文档
    操作
    转角行星
    3
    19
    37
    5000+
    6
    92%
    转角行星
    4
    20
    40
    5000+
    6
    92%
    转角行星
    5
    20
    40
    5000+
    6
    92%
    转角行星
    7
    19
    38
    5000+
    6
    92%
    转角行星
    10
    19
    38
    5000+
    6
    92%
    转角行星
    30
    19
    38
    5000+
    6
    92%
    转角行星
    35
    20
    40
    5000+
    6
    92%
    转角行星
    40
    20
    40
    5000+
    6
    92%
    转角行星
    50
    20
    38
    5000+
    6
    92%
    转角行星
    70
    19
    38
    5000+
    6
    92%
    转角行星
    100
    14
    28
    5000+
    6
    92%
    转角行星
    12
    19
    38
    5000+
    6
    92%
    转角行星
    15
    19
    38
    5000+
    6
    92%
    转角行星
    16
    20
    40
    5000+
    6
    92%
    转角行星
    16
    20
    40
    5000+
    6
    92%
    转角行星
    25
    20
    40
    5000+
    6
    92%
    转角行星
    15
    19
    38
    5000+
    6
    92%
    转角行星
    3
    12
    24
    4000
    10
    96%
    转角行星
    2
    16
    32
    4000
    10
    96%
    转角行星
    5
    16
    32
    4000
    10
    96%
    1213
  • 驱动器
    20 条每页
    1 – 20 of 54 results 显示全部 54 条结果 仅 1 条结果 No results found
    电压
    额定电流 (A)
    ~ GO
    峰值电流(A)
    ~ GO
    控制接口
    支持反馈装置
    支持控制轴数
    显示 1 – 20 共 54 个结果 显示全部 54 条结果 显示单个结果 No results found
    Filters Sort
    Reset Apply
    产品型号
    图像
    电压
    额定电流 (A)
    峰值电流(A)
    控制接口
    输入输出
    离线编程
    支持的控制方案
    支持反馈装置
    支持控制轴数
    文档
    操作
    12-80V
    4
    8
    Modbus-rtu
    2路输入(24V)1路输出
    /
    速度/位置/扭矩/归零
    霍尔+增量
    单轴
    12-80V
    4
    8
    CANBUS
    2路输入(24V)1路输出
    /
    速度/位置/扭矩/归零
    霍尔+增量
    单轴
    12-80V
    4
    8
    CANopen
    2路输入(24V)1路输出
    /
    速度/位置/扭矩/归零
    霍尔+增量
    单轴
    12-80V
    5
    10
    Modbus-rtu
    2路输入(24V)1路输出
    /
    速度/位置/扭矩/归零
    霍尔+增量
    单轴
    12-80V
    5
    10
    CANBUS
    2路输入(24V)1路输出
    /
    速度/位置/扭矩/归零
    霍尔+增量
    单轴
    12-80V
    5
    10
    CANopen
    2路输入(24V)1路输出
    /
    速度/位置/扭矩/归零
    霍尔+增量
    单轴
    12-80V
    10
    20
    Modbus-rtu
    2路输入(24V)1路输出
    /
    速度/位置/扭矩/归零
    霍尔+增量
    单轴
    12-80V
    10
    20
    CANBUS
    2路输入(24V)1路输出
    /
    速度/位置/扭矩/归零
    霍尔+增量
    单轴
    12-80V
    10
    20
    IO
    可配置2个input,1个output
    ×
    速度/位置/扭矩/归零/模拟量
    霍尔+增量
    单轴
    12-80V
    20
    40
    CANBUS
    可配置2个input,1个output
    ×
    速度/位置/扭矩/归零/模拟量
    霍尔+增量
    单轴
    12-80V
    10
    20
    CANopen
    可配置2个input,1个output
    ×
    速度/位置/扭矩/归零/模拟量
    霍尔+增量
    单轴
    12-80V
    16
    32
    Anlog
    可配置2个input,1个output
    ×
    速度/位置/扭矩/归零/模拟量
    霍尔+增量
    单轴
    12-80V
    16
    32
    CANBUS
    可配置2个input,1个output
    ×
    速度/位置/扭矩/归零/模拟量
    霍尔+增量
    单轴
    12-80V
    20
    40
    Modbus-rtu
    可配置2个input,1个output
    ×
    速度/位置/扭矩/归零/模拟量
    霍尔+增量
    单轴
    12-80V
    16
    32
    CANopen
    可配置2个input,1个output
    ×
    速度/位置/扭矩/归零/模拟量
    霍尔+增量
    单轴
    12-80V
    20
    40
    CANopen
    可配置2个input,1个output
    ×
    速度/位置/扭矩/归零/模拟量
    霍尔+增量
    单轴
    12-80V
    20
    40
    Anlog
    可配置2个input,1个output
    ×
    速度/位置/扭矩/归零/模拟量
    霍尔+增量
    单轴
    12-80V
    30
    60
    Modbus-rtu
    可配置2个input,1个output
    ×
    速度/位置/扭矩/归零/模拟量
    霍尔+增量
    单轴
    12-80V
    30
    60
    CANBUS
    可配置2个input,1个output
    ×
    速度/位置/扭矩/归零/模拟量
    霍尔+增量
    单轴
    12-80V
    30
    60
    CANopen
    可配置2个input,1个output
    ×
    速度/位置/扭矩/归零/模拟量
    霍尔+增量
    单轴
    123
  • 编码器
    20 条每页
    1 – 20 of 5572 results 显示全部 5572 条结果 仅 1 条结果 No results found
    尺寸
    分辨率
    工作电压
    安装轴径(孔径)
    信号类型
    显示 1 – 20 共 5572 个结果 显示全部 5572 条结果 显示单个结果 No results found
    Filters Sort
    Reset Apply
    产品型号
    图像
    尺寸
    分辨率
    工作电压
    类型
    安装方式
    安装轴径(孔径)
    信号类型
    极限转速
    适用电机
    文档
    操作
    占位
    500
    500
    5V
    光电增量
    孔式
    2
    增量AB
    455
    步进
    36
    131072
    10V
    韦恩多圈绝对值
    孔式
    5
    SSI
    12000
    无刷和步进
    22
    131072
    5V
    韦恩多圈绝对值
    孔式
    4
    SSI
    12000
    无刷和步进
    25
    1024
    24V
    单圈绝对值
    轴式
    4
    RS485
    8000
    25
    1024
    24V
    单圈绝对值
    轴式
    4
    RS232
    8000
    25
    1024
    24V
    单圈绝对值
    轴式
    4
    CAN
    8000
    25
    1024
    24V
    单圈绝对值
    轴式
    4
    SPI
    8000
    25
    1024
    24V
    单圈绝对值
    轴式
    4
    CANopen
    8000
    25
    4096
    24V
    单圈绝对值
    轴式
    4
    Modbus-Rtu
    8000
    25
    4096
    24V
    单圈绝对值
    轴式
    4
    RS232
    8000
    25
    4096
    24V
    单圈绝对值
    轴式
    4
    CAN
    8000
    25
    4096
    24V
    单圈绝对值
    轴式
    4
    CANopen
    8000
    25
    4096
    24V
    单圈绝对值
    轴式
    4
    SPI
    8000
    25
    16384
    24V
    单圈绝对值
    轴式
    4
    Modbus-Rtu
    8000
    25
    16384
    24V
    单圈绝对值
    轴式
    4
    RS232
    8000
    25
    16384
    24V
    单圈绝对值
    轴式
    4
    CAN
    8000
    25
    16384
    24V
    单圈绝对值
    轴式
    4
    CANopen
    8000
    25
    16384
    24V
    单圈绝对值
    轴式
    4
    SPI
    8000
    25
    32768
    24V
    单圈绝对值
    轴式
    4
    Modbus-Rtu
    8000
    25
    32768
    24V
    单圈绝对值
    轴式
    4
    RS232
    8000
    12279
  • 线缆
    20 条每页
    1 – 4 of 4 results 显示全部 4 条结果 仅 1 条结果 No results found
    产品类型
    适用产品
    显示 1 – 4 共 4 个结果 显示全部 4 条结果 显示单个结果 No results found
    Filters Sort
    Reset Apply
    产品型号
    图像
    产品类型
    工作电压
    适用产品
    线缆长度
    输出功率
    备注
    文档
    操作
    占位
    线缆
    /
    驱动器编码器接口
    49
    /
    /
    网关
    19.2~28.8VDC
    Profinet网络接入CANopen
    无特殊连接器
    2.5W
    网关
    USB供电
    17MT48024PS2
    无特殊连接器
    调试软件
    Nanotec驱动和一体化电机
  • 网关
    20 条每页
    1 – 2 of 2 results 显示全部 2 条结果 仅 1 条结果 No results found
    产品类型
    适用产品
    显示 1 – 2 共 2 个结果 显示全部 2 条结果 显示单个结果 No results found
    Filters Sort
    Reset Apply
    产品型号
    图像
    产品类型
    工作电压
    适用产品
    线缆长度
    输出功率
    备注
    文档
    操作
    网关
    19.2~28.8VDC
    Profinet网络接入CANopen
    无特殊连接器
    2.5W
    网关
    USB供电
    17MT48024PS2
    无特殊连接器
  • 电机轴(加工)
    20 条每页
    1 – 1 of 1 results 显示全部 1 条结果 仅 1 条结果 No results found
    产品类型
    适用产品
    显示 1 – 1 共 1 个结果 显示全部 1 条结果 显示单个结果 No results found
    Filters Sort
    Reset Apply
    产品型号
    图像
    产品类型
    工作电压
    适用产品
    线缆长度
    输出功率
    备注
    文档
    操作
    占位
    线缆
    /
    驱动器编码器接口
    49
    /
    /

规格参数

系列代码
23HS76-LE100-BG1202-E1000
法兰尺寸
57mm
电机高度 “L”
76mm
峰值推力
4041.6N
额定速度
20 mm/s
分辨率
0.01mm
导程
2mm
结构类型
外部驱动式
丝杆类型
滚珠
编码器类型
增量ABZ
螺杆长度
100mm
最大行程
70.4mm
额定电流
4.0 A
电机重量
1 Kg

3D 预览

https://saas.sview3d.com//SView/sview3d.html?bucketName=c3ZpZXd3ZWI=&filePath=MjAyNTA2MjcvMmRmMzFmYjRmY2U0NGVkMzkwYzE4MmNjNTg3NzVlZjMvNGY2NTlmMjgwMzZkNDE4MWExYjg3YTI4Mzk5YzczYWQ=&fileName=MjNIUzc2LUxFMTAwLUJHMTIwMi1FMTAwMC5TVEVQLnN2bHg=&fileType=svlx

尺寸图

57法兰大推力系列闭环滚珠丝杆直线电机Nema23集成BG1202线性步进电机

力矩曲线

文档下载

关联推荐