Skip to main content

48V永磁伺服-3000转600W-EC60TM4830600-E

EC60TM4830600-E是一款48V永磁伺服,作为总线直流伺服,也属于yanlanmc直流伺服。额定功率600W,额定转速3000rpm,额定扭矩1.91N.M,峰值扭矩3.82N.M,运行稳定。无抱闸设计,适用于基础驱动需求的设备,在自动化领域应用广泛。

内置磁电编码器,可配套EtherCAT,CANopen,RS485,Modbus-tcp等通讯版本驱动控制器。快速完成总线型多轴自动化装备部署。


简要特性

EC60系列直流伺服电机
应用设备:
医疗器械、物流输送、工业机器人、自自动化装配、自动化生产线、新能源又车、履带机器人、AGV搬运车
特点:
*结构紧凑、功率密度高、体积小;小惯量,响应速度快
*超高内禀矫顽力稀土永磁材料;抗去磁能力强
*低速转矩脉动小;平衡精度高;高速运行平稳;噪音低、振动小
*峰值转矩达到额定转矩200%,300%
*电机种类多样(100~600W,DC24~144V,带制动器,油封等)
*高速运行转速可高达3200rpm

本系列产品另有滚珠丝杆直驱输出的产品可供选择,如需更多信息,请与我们联系

如需选购适配的智能电机驱动控制,请点击 智能型直流伺服驱动器 版块浏览

48V永磁伺服-3000转600W-EC60TM4830600-E
产品配置器

规格参数

产品型号
EC60TM4830600-E
电机类型
永磁伺服
极数
10
法兰尺寸
60 mm
反馈类型
额定电压
48V
额定电流
15.5 Amps
额定转速
3000 rpm
额定扭矩
1.91 N.m
输出功率
600 W
峰值扭矩
3.82 N.m
峰值电流
31 Amps
转动惯量
0.85 g-cm²
机身长度
115 mm(L)
重量

3D 预览

https://saas.sview3d.com//SView/sview3d.html?bucketName=c3ZpZXd3ZWI=&filePath=MjAyNTA3MjMvMGE2MDYzOTgyNjQyNDU4MWJhZjQ3ZTNhN2I3ZWM4NGEvZmQwNzAyNzAzMjA4NDExNjg4MzFlYWRiODI2N2NkNzI=&fileName=M0QgNjAjTD0xMTUuU1RFUC5zdmx4&fileType=svlx

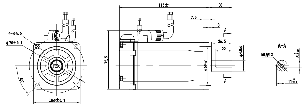
尺寸图

48V永磁伺服-3000转600W-EC60TM4830600-E

力矩曲线

文档下载

关联推荐