Skip to main content

PLR42系列1级精密行星减速机-速比5

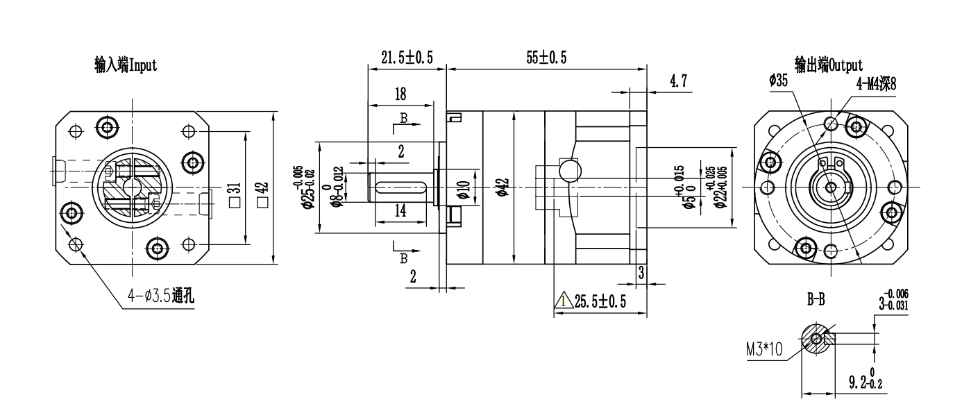
PLR42系列1级精密行星减速机是一款圆形安装法兰系列、外形尺寸为42mm的减速机。PLR42-L1-5-SW型号的减速比为5,额定输出扭矩9N.m,L1输出端面以下总长55mm,L2适配电机轴长度22-25.5mm,适配42mm步进电机,该产品与研蓝电机集成交付。


简要特性

PLR42系列:

  • 圆形法兰轴输出,螺纹反向连接,外形42mm标准化尺寸;
  • 钢尺直齿传动,单悬臂结构,设计简洁,极具性价比;
  • 平稳运行,噪音低;
  • 入力轴可开键槽;
  • 回程间隙8~16弧分;
  • 规格范围20-130;
  • 速比范围3-100
PLR42系列1级精密行星减速机-速比5

产品配置器

规格参数

产品型号
PLR42-L1-5-SW
类型
精密行星
减速比
5
额定扭矩 Nm
9
峰值扭矩 Nm
18
最大输入转速 rpm
2000
回程间隙 arcmin
15
传动效率
96%

3D 预览

https://saas.sview3d.com//SView/sview3d.html?bucketName=c3ZpZXd3ZWI=&filePath=MjAyNTA3MzEvMWY3MjllOTY2NjUzNDllMDk3MjM2YTMwZThiYWRhZDcvZTliNDhmMjVlNmU5NDhlNGI3ZDI4MTkwMDM5NzUzYjQ=&fileName=UExSNDItTDEtUjUtSzEwKOagh+WHhui9tCkuU1RFUC5zdmx4&fileType=svlx

尺寸图

PLR42系列1级精密行星减速机-速比5

力矩曲线

文档下载

关联推荐