Skip to main content

PLS42系列二级行星减速箱-精密行星齿轮箱-减速比40(输出轴13)

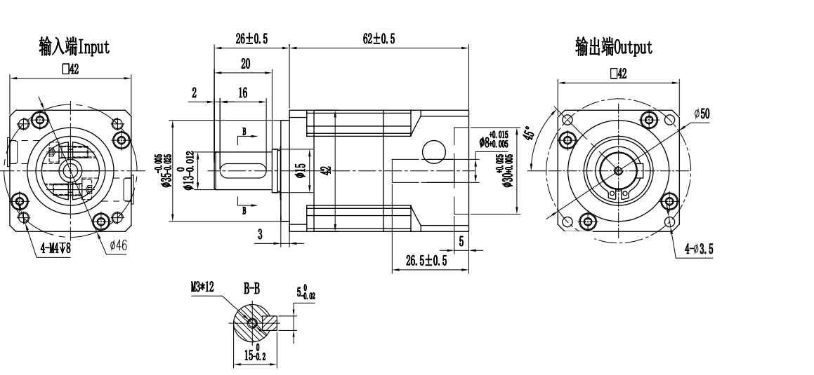
PLS42系列二级行星减速箱是一款方形安装法兰系列、外形尺寸为42mm的减速机。PLS42-L2-40-MB13型号的减速比为40,额定输出扭矩10N.m, 总长62mm,MA指与电机连接法兰适配电机安装孔分布圆为φ45伺服电机,减速机输出轴默认13mm,支持独立销售。


简要特性

  • 方形法兰安装,外形42mm标准化尺寸;
  • 适配松下等100W伺服电机
  • 平稳运行,噪音低;
  • 多种规格减速比可选
  • 安装便捷
  • 支持定制
  • 二级行星减速箱
PLS42系列二级行星减速箱-精密行星齿轮箱-减速比40(输出轴13)

产品配置器

规格参数

产品型号
PLS42-L2-40-MB13
类型
精密行星
减速比
40
额定扭矩 Nm
10
峰值扭矩 Nm
20
最大输入转速 rpm
3000
回程间隙 arcmin
20
传动效率
94%

3D 预览

https://saas.sview3d.com//SView/sview3d.html?bucketName=c3ZpZXd3ZWI=&filePath=MjAyNTA3MzAvODUwMTg4MGIzMGRiNDVhMjkxOGVlMTk2ZDI1MDhmNmMvZDdkNTI4MGQ3YmU2NGJmMGExMzgyOWRmMDA2ZmNjYTQ=&fileName=SFBTNDItTDJNQjEzLlNURVAuc3ZseA==&fileType=svlx

尺寸图

PLS42系列二级行星减速箱-精密行星齿轮箱-减速比40(输出轴13)

力矩曲线

文档下载

关联推荐